Bezpiecznik B20 jakie obciążenie - uniknij przepaleń i awarii
Sprawdź, jakie obciążenie może znieść bezpiecznik B20. Dowiedz się, jak uniknąć przepaleń i awarii w swojej instalacji elektrycznej.
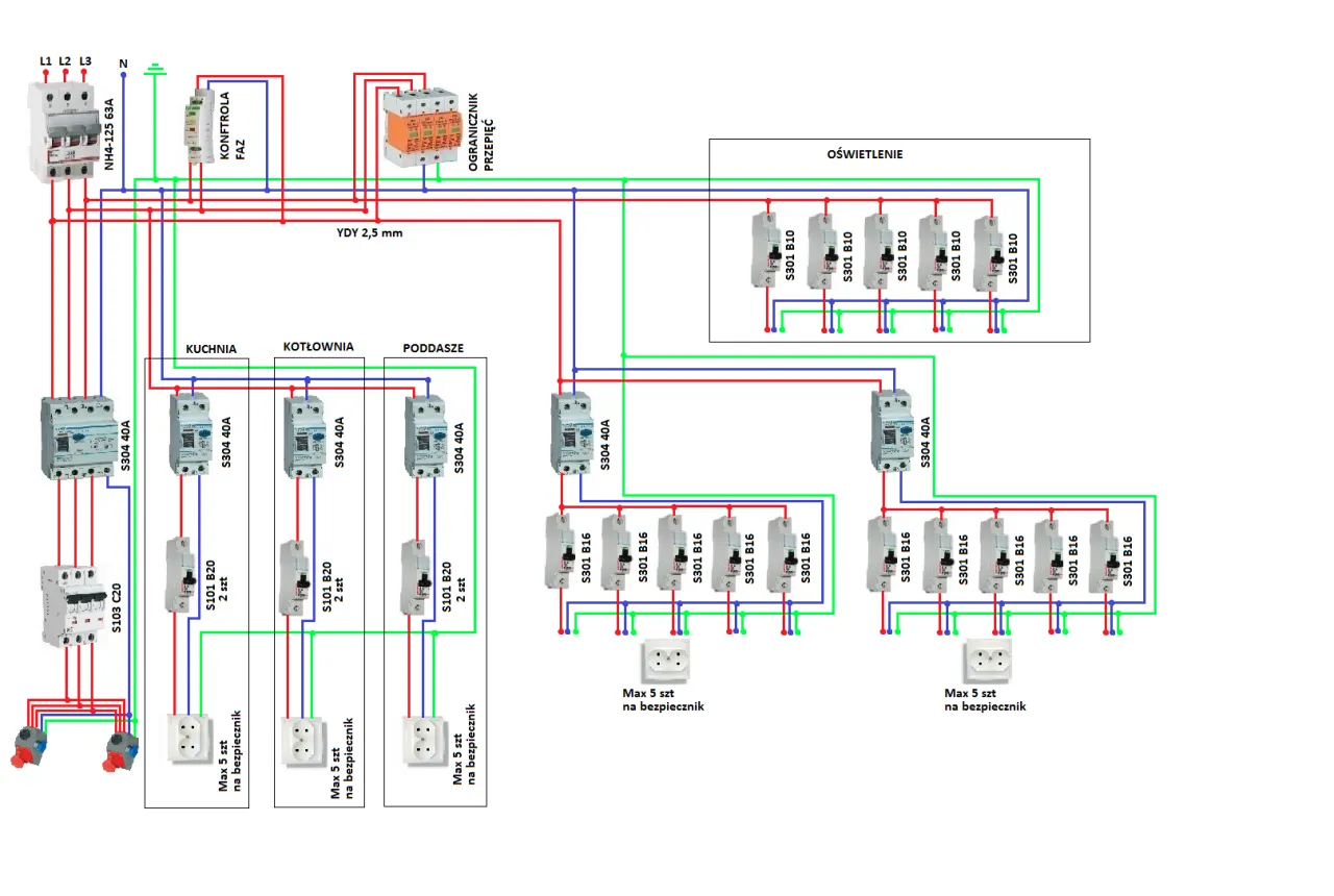
Bezpieczniki odgrywają kluczową rolę w systemach energetycznych, szczególnie w kontekście fotowoltaiki. W tej kategorii zgłębiamy temat bezpieczników, ich funkcje oraz znaczenie w zapewnieniu bezpieczeństwa instalacji solarnych. Dowiesz się, jak właściwy dobór bezpieczników wpływa na efektywność systemów energetycznych oraz jakie są najnowsze trendy i technologie w tej dziedzinie. Nasze artykuły są napisane z myślą o wszystkich, którzy pragną zrozumieć, jak działają systemy fotowoltaiczne i jak je chronić. Zapraszamy do lektury, aby poszerzyć swoją wiedzę i być na bieżąco z innowacjami w energii odnawialnej!
Sprawdź, jakie obciążenie może znieść bezpiecznik B20. Dowiedz się, jak uniknąć przepaleń i awarii w swojej instalacji elektrycznej.
Dowiedz się, jak podłączyć bezpiecznik 1 fazowy krok po kroku. Zminimalizuj ryzyko błędów i awarii, stosując sprawdzone metody i techniki.
Zastanawiasz się, gdzie są bezpieczniki w Oplu Astrze? Sprawdź lokalizacje w kabinie i komorze silnika oraz jak je łatwo znaleźć i wymienić.
Poznaj maksymalną moc bezpiecznika B25, która wynosi od 5,5 do 6 kW. Dowiedz się, jak go zastosować w różnych instalacjach elektrycznych.
Wybierz odpowiedni bezpiecznik do 4 kW, aby uniknąć kosztownych awarii. Dowiedz się, jaki bezpiecznik wybrać, aby zapewnić bezpieczeństwo elektryczne.
Sprawdź, jaką moc w kW ma bezpiecznik 32A oraz jakie urządzenia mogą być do niego podłączane. Zaskakujące fakty i praktyczne obliczenia!
Znalezienie bezpieczników w Audi 80 B4 jest kluczowe dla ich prawidłowego działania. Dowiedz się, gdzie są bezpieczniki i jak je wymienić.
Wybierz odpowiedni bezpiecznik do radia samochodowego, aby uniknąć kosztownych usterek. Sprawdź, jak dobrać amperaż i rodzaj bezpiecznika.
Dowiedz się, jak wyjąć bezpiecznik bez ryzyka uszkodzenia urządzenia. Praktyczne wskazówki i techniki, które zapewnią bezpieczeństwo podczas wymiany.
Znajdź odpowiedzi na pytanie, gdzie są bezpieczniki w Hyundai Tucson. Dowiedz się, jak je zlokalizować i jakie mają funkcje, aby zadbać o swój pojazd.
Ile kosztuje bezpiecznik? Sprawdź ceny różnych typów i dowiedz się, jak zaoszczędzić na zakupie, unikając niepotrzebnych wydatków.
Wybór odpowiedniego bezpiecznika do pompy ciepła jest kluczowy. Dowiedz się, jak uniknąć kosztownych błędów elektrycznych i zapewnić bezpieczeństwo.
Znajdź bezpieczniki w Opel Astra G, aby uniknąć problemów elektrycznych. Dowiedz się, gdzie są i jak je wymienić, by zapewnić sobie bezpieczeństwo na drodze.
Dowiedz się, jak rozpoznać przepalony bezpiecznik topikowy i uniknąć problemów z prądem. Sprawdź objawy oraz metody testowania, by szybko zareagować.
Wybierz odpowiedni bezpiecznik do akumulatora 12V, aby uniknąć problemów. Dowiedz się, jakie czynniki uwzględnić i jakie typy bezpieczników są najlepsze.
Poznaj objawy uszkodzonego bezpiecznika automatycznego i dowiedz się, jak uniknąć problemów z instalacją elektryczną w swoim domu.
Poznaj bezpieczniki C-360: który od czego oraz jak uniknąć problemów elektrycznych. Zadbaj o swój traktor i zapewnij mu niezawodność!
Wybierz odpowiedni przewód od licznika do bezpieczników, aby zapewnić bezpieczeństwo i uniknąć kosztownych błędów. Sprawdź nasze rekomendacje!
Bezpiecznik B20 ile kW? Dowiedz się, jakie obciążenie może wytrzymać i jakie ma zastosowania w instalacjach jednofazowych i trójfazowych.
Bezpiecznik na plusie czy minusie? Dowiedz się, jak prawidłowo montować bezpieczniki, aby uniknąć zagrożeń w instalacjach elektrycznych.
Szukasz, gdzie są bezpieczniki w Astra G? Sprawdź ich lokalizację oraz funkcje, aby łatwo rozwiązać problemy z elektryką w swoim samochodzie.
Czy bezpiecznik automatyczny może się zepsuć? Dowiedz się o przyczynach awarii, objawach uszkodzeń i jak dbać o bezpieczeństwo w instalacji elektrycznej.
Zastanawiasz się, gdzie są bezpieczniki Scenic 3? Sprawdź ich lokalizację w desce rozdzielczej i komorze silnika, aby szybko rozwiązać problemy elektryczne.
Zastanawiasz się, gdzie są bezpieczniki w Mercedesie C Klasa? Sprawdź ich lokalizację oraz dowiedz się, jak je wymieniać i dbać o system elektryczny.
Zastanawiasz się, gdzie są bezpieczniki w Audi A4 B7? Sprawdź kluczowe lokalizacje i funkcje, aby łatwo rozwiązywać problemy elektryczne w swoim aucie.